當前位置: 滾珠絲桿網 ? 3220滾珠絲杠 ? DFV3220滾珠絲桿
DFV3220滾珠絲桿
雷研精密傳動設備有限公司供應DFV3220滾珠絲桿【貨源充足、價格合理、原裝正品、品牌齊全】滿足客戶的需求。請需要DFV3220滾珠絲杠的朋友聯系:黃志杰(經理)? 聯系電話:15802034588。
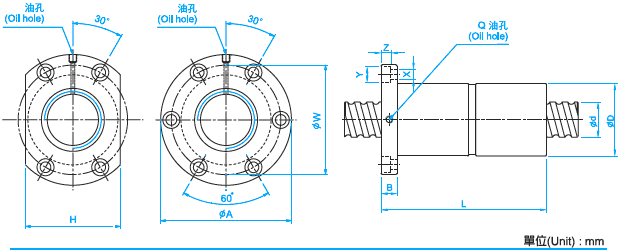
DFV3220滾珠絲杠參數
型號:DFV3220
絲桿外徑:32
導程:20
珠徑:6.35
螺母外徑:74
法蘭直徑:108
法蘭的厚度:16
螺母的長度:200
安裝孔之間的距離:90
法蘭的寬度:82
珠圈數:2.7×1
動額定負荷:3509
靜額定負荷:8644
剛性:61

滾珠絲桿動作不順暢分析
異物進入鋼珠軌道
(1)包裝材料阻礙鋼珠軌道:出貨時以許多的材料及防銹袋來包裝滾珠螺桿,如果在包裝或排列的時候未以適當的程序來執行,異 物或其他物質可能會阻礙鋼珠軌道,導致鋼珠的滑軌而非正常滾動甚至卡死。
(2)加工碎屑進人軌道:滾珠螺桿若未安裝刮刷器,加工碎屑或灰塵的堆積就會阻礙鋼珠軌道。造成順暢度不佳、精度降低及減少使用壽命。
過行程
過行程會造成回流管的損傷或凹陷,甚至斷裂,而造成鋼珠無法正常運轉:在這惡劣的運轉條件下,可能會造成螺桿或螺帽珠槽表面的剝離。過行程發生的原岡可能發生于機臺設定、極限開關失效或撞車,為預防造成滾珠螺桿進一步損壞,重 新安裝前滾珠螺桿必須經制造商的重新檢修。
?回流管損壞
回流管在安裝時受到嚴重的撞擊,回流管可能會造成凹陷及引發前述相同的問題。
?偏心
如果螺帽座與軸承座不同心時會產生徑向負荷,兩者偏心量太大時會造成螺桿彎曲,甚 至偏心的情況,不可以造成明顯的螺桿彎曲時,異常磨耗仍持續發生:而螺帽設定的預壓力越高偏心精度的要求越高。
瀏覽DFV3220滾珠絲桿的用戶還會?
DFV1605滾珠絲杠、DFV1604滾珠絲桿等。
滾珠絲杠討論①群263545937(專家在線為你解答)歡迎你的加入!
版權所有 © 轉載時必須以鏈接形式注明作者和原始出處!

