當前位置: 滾珠絲桿網 ? 3208滾珠絲桿 ? DFV3208滾珠絲桿
DFV3208滾珠絲桿
雷研精密傳動設備有限公司供應DFV3208滾珠絲桿【貨源充足、價格合理、原裝正品、品牌齊全】滿足客戶的需求。請需要DFV3208滾珠螺桿的朋友聯系:黃志杰(經理)? 聯系電話:15802034588。
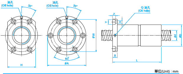
DFV3208滾珠絲杠參數
型號:DFV3208
絲桿外徑:32
導程:8
珠徑:4.762
螺母外徑:66
法蘭直徑:100
法蘭的厚度:15
螺母的長度:139
安裝孔之間的距離:82
法蘭的寬度:76
珠圈數:4.8×1
動額定負荷:3962
靜額定負荷:11547
剛性:100

滾珠螺桿發生問題的主因與其預防方法
?滾珠螺桿肩部斷裂
(1)不當設計。
螺桿肩部應避免銳角設計。以減少局部應力集中
(2)螺桿軸頭彎曲。
軸承的承靠面與鎖定螺帽V 形牙軸心的垂直度不佳,或兩對應方向的鎖定螺帽面平行度不佳。皆會導致螺桿肩部的彎曲或斷裂;因此在鎖定螺帽鎖緊的前后,螺桿肩部偏擺量不得超過0.01mm。
(3)徑向力或反復應力。
安裝螺桿時造成的偏心會產生異常的交變應力并使滾珠螺桿提早損壞。當上述所有的檢查皆正常,但問題仍然存在。請與專業生產廠家的工程技術人員聯系。可能必須通過提高螺桿的剛性和預壓力等方式解決問題。
瀏覽DFV3208滾珠絲桿的用戶還會?
DFV2010滾珠絲杠、DFV2005滾珠絲桿等。
滾珠絲杠討論①群263545937(專家在線為你解答)歡迎你的加入!
版權所有 © 轉載時必須以鏈接形式注明作者和原始出處!

