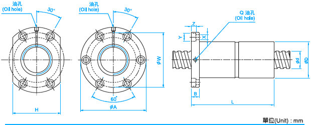
SFV2005滾珠絲杠參數
型號:SFV2005
絲桿外徑:20
導程:45
珠徑:3.175
螺母外徑:44
法蘭直徑:67
法蘭的厚度:11
螺母的長度:57
安裝孔之間的距離:55
法蘭的寬度:52
珠圈數4.8×1
動額定負荷:1814
靜額定負荷:4650
剛性:47。
圖紙下載:SFVR2005滾珠絲桿圖紙PDF
【滾珠絲杠螺母副】
滾珠絲杠螺母副是回轉運動與直線運動相互轉換的一種新型傳動裝置,在數控機床上得到了廣泛的應用。它的結構特點是在具有螺旋槽的絲杠螺母間裝有滾珠,使絲杠與螺母之間的運動成為滾動,以減少摩擦。
瀏覽SFV2005滾珠絲桿的用戶還會?
DFV2005滾珠絲桿、SFS2005滾珠絲杠等。
雷研精密傳動設備有限公司供應SFS2005滾珠絲杠【貨源充足、價格合理、原裝正品、品牌齊全】請需要SFS2005滾珠絲杠的朋友聯系:黃志杰(經理)? 聯系電話:15802034588。
SFS2005滾珠絲桿參數
型號:SFS2005
絲桿外徑:20
導程:5
珠徑:3.175
螺母外徑:36
法蘭直徑:58
法蘭的厚度:10
螺母的長度:40
安裝孔之間的距離:47
法蘭的寬度:44
珠圈數:3.8×1
動額定負荷:1484
靜額定負荷:3681
剛性:37。
圖紙下載:SFS2005滾珠絲杠圖紙PDF
【鎖緊螺母】
?滾珠絲桿鎖緊螺母的作用為對絲杠與軸承進行軸向固定。為了保證鎖緊螺母在滾珠絲杠運行過程中不致松動,在鎖緊螺母上還設計了緊定螺釘及保護墊片,以獲得完全沒有松弛的固定。
由于鎖緊螺母在與絲杠端部螺紋配合的同時,在端面還必須與軸承端面緊密接觸,所以鎖緊螺母的端面是經過磨削加工的平面,保證端面具有較高的平面度、垂直度和較低的表面粗糙度。
瀏覽SFS2005滾珠絲桿的用戶還會?
SFT2005滾珠絲杠、DFS2005滾珠絲杠等。
SFT2005滾珠絲桿參數
型號:SFT2005
絲桿外徑:20
導程:5
珠徑:3.175
螺母外徑:44
法蘭直徑:67
法蘭的厚度:11
螺母的長度:57
安裝孔之間的距離:55
法蘭的寬度:52
珠圈數:2.5×2
動額定負荷:1879
靜額定負荷:4844
剛性:49。
圖紙下載:SFT2005滾珠絲杠圖紙下載
【SFT2005滾珠絲杠副的選擇步驟】
在選用滾珠絲杠副時,必須知道實際的工作條件,應知道最大的工作載荷(或平均工作載荷)、最大載荷作用下的使用壽命、絲杠的工作長度(或螺母的有效行程)、絲杠的轉速(或平均轉速)、滾道的硬度及絲杠的工況,然后按下列步驟進行選擇。
①最大的承載能力。
②最大動載荷。對于靜態或低速運轉的滾珠絲杠,還要考慮最大靜載荷是否充分地超過了滾珠絲杠的工作載荷。
③剛度的驗算。
④壓桿穩定性核算。
瀏覽SFT2005滾珠絲桿的用戶還會?
SFI2005滾珠絲杠、SFU2005滾珠絲杠等。
雷研精密傳動設備有限公司供應SFI205T滾珠絲桿【貨源充足、價格合理、原裝正品、品牌齊全】請需要SFI205T滾珠絲杠的朋友聯系:黃志杰(經理)? 聯系電話:15802034588。
SFI205T滾珠絲杠參數
型號:SFI205T
絲桿外徑:20
導程:5.08
珠徑:3.175
螺母外徑:34
法蘭直徑:57
法蘭的厚度:11
螺母的長度:51
安裝孔之間的距離:45
法蘭的寬度:40
珠圈數:1×4
動額定負荷:1550
靜額定負荷:3875
剛性:39。
圖紙下載:SFIR205T滾珠絲桿圖紙PDF
【滾珠絲杠螺母副問隙的消除滾珠絲杠螺母副的間隙是軸向間隙】
軸向間隙的數值是指絲杠和螺母無相對轉動時,絲杠和螺母之間的最大軸向竄動量,除了結構本身所有的游隙之外,還包括施加軸向載荷后絲杠產生彈性變形所造成的軸向竄動量。
為了保證滾珠絲杠傳動精度和軸向剛度,必須消除滾珠絲杠間隙。除了少數用微量過盈滾珠的單螺母消除間隙外,常采用雙螺母結構,利用兩個螺母的相對軸向位移,使兩個滾珠絲杠螺母中的滾珠分別貼緊在螺旋滾道的兩個相反的側面上。用這種方法預緊消除軸向間隙時,應注意預緊力不宜過大,否則會使空載力矩增加,從而降低傳動效率,縮短使用壽命。

瀏覽SFI205T滾珠絲桿的用戶還會?
XSVR1510滾珠絲杠、XSVR1210滾珠絲杠等。
雷研精密傳動設備有限公司供應SFI2005滾珠絲杠【貨源充足、價格合理、原裝正品、品牌齊全】請需要SFI2005滾珠絲杠的朋友聯系:黃志杰(經理)? 聯系電話:15802034588。
SFI2005滾珠絲桿參數
型號:SFI2005
絲桿外徑:20
導程:5
珠徑:3.175
螺母外徑:34
法蘭直徑:57
法蘭的厚度:11
螺母的長度:51
安裝孔之間的距離:45
法蘭的寬度:40
珠圈數:1×4
動額定負荷:1551
靜額定負荷:3875
剛性:39。
圖紙下載:SFIR2005滾珠絲桿圖紙PDF
【滾珠絲杠螺母副】
為了提高進給系統的靈敏度、定位精度和防止爬行,必須降低數控機床進給系統的摩擦并減少靜、動摩擦系數之差。因此,行程不太長的直線運動機構常用滾珠絲杠螺母副。它是直線運動與回轉運動相互轉換的新型傳動裝置。它可以消除反向間隙并施加預載,有助于提高定位精度和剛度。關 于鎖緊螺母
瀏覽SFI2005滾珠絲桿的用戶還會?
DFU2005滾珠絲杠、SCI2005滾珠絲杠等。
雷研精密傳動設備有限公司供應DFU2005滾珠絲杠【貨源充足、價格合理、原裝正品、品牌齊全】請需要DFU2005滾珠絲杠的朋友聯系:黃志杰(經理)? 聯系電話:15802034588。
DFU2005滾珠絲桿參數
型號:DFU2005
絲桿外徑:20
導程:5
珠徑:3.175
螺母外徑:36
法蘭直徑:58
法蘭的厚度:10
螺母的長度:101
安裝孔之間的距離:47
法蘭的寬度:44
珠圈數:1×4
動額定負荷:1551
靜額定負荷:3875
剛性:53。
圖紙下載:DFUR2005滾珠絲杠圖紙PDF
【滾珠絲杠螺母副軸向間隙的調整】
?滾珠絲杠的傳動間隙是軸向間隙。為了保證反向傳動精度和絲杠的剛度,必須消除軸向間隙。消除間隙的方法常采用雙螺母結構.利用兩個螺母的相對軸向位移,使兩個滾珠螺母中的滾珠分別貼緊在螺旋滾道的兩個相反的側面上。用這種方法預緊消除軸向間隙時,應注意預緊力不宜過大—預緊力過大會使空載力矩增加,從而降低傳動效率,縮短使用壽命。此外,還要消除絲杠安裝部分和驅動部分的間隙。
瀏覽DFU2005滾珠絲桿的用戶還會?
SCI2005滾珠絲杠、BSH2005滾珠絲桿、DFT2005滾珠絲杠等。
DFT2005滾珠絲桿參數
型號:DFT2005
絲桿外徑:20
導程:5
珠徑:3.175
螺母外徑:44
法蘭直徑:67
法蘭的厚度:11
螺母的長度:105
安裝孔之間的距離:55
法蘭的寬度:52
珠圈數:2.5×2
動額定負荷:1879
靜額定負荷:4844
剛性:66。
圖紙下載:DFTR2005滾珠絲杠圖紙下載
【滾珠絲杠】
絲杠屬于轉動部件.是一種直線度非常高、上面加工有半圓形螺旋摘的螺紋軸.半圓形螺旋摘是滾珠滾動的滾道。絲杠具有很高的硬度,通常在表面悴火后再進行晰削加工,保證其有優良的耐磨性能。絲杠一般與驅動部件連接在一起,絲杠的轉動由電機直接或間接驅動。
既可以采用直聯的方法.即將電機輸出軸通過專用的彈性滾珠絲杠聯軸器與絲杠相聯,傳動比為1;也可以通過其他的傳動環節使電機愉出軸與絲杠相連,例如同步帶、齒輪等。
瀏覽DFT2005滾珠絲桿的用戶還會?
DFI2005滾珠絲杠、SCI2005滾珠絲杠、DFV2005滾珠絲桿等。
雷研精密傳動設備有限公司供應DFS2005滾珠絲桿【貨源充足、價格合理、原裝正品、品牌齊全】滿足客戶的需求。請需要DFS2005滾珠絲桿的朋友聯系:黃志杰(經理)? 聯系電話:15802034588。
DFS2005滾珠絲杠參數
型號:DFS2005
絲桿外徑:20
導程:5
珠徑:3.175
螺母外徑:36
法蘭直徑:58
法蘭的厚度:10
螺母的長度:75
安裝孔之間的距離:47
法蘭的寬度:44
珠圈數:3.8×1
動額定負荷:1484
靜額定負荷:3681
剛性:50。
圖紙下載:DFS2005滾珠絲杠圖紙PDF
滾珠螺桿的溫升對策如下所示:
(1)控制發熱量
?滾珠發熱量、支撐軸承的預壓量要正確適量。
?潤滑劑的正確選擇及適當的供給。
?加大滾珠螺桿的導程、降低回轉數。
(2)施予強制冷卻
?螺桿軸挖成中空,通以冷卻液。
?螺桿軸外緣以潤滑油或空氣來冷卻。

(3)避免溫升的影響
以高速先將機臺溫車(WARNING UP)到溫度
?安定的狀態再使用。
?螺桿軸于安裝時施予預拉力。
?累積導程的目標值預先取負值。
?使用時閉路方式定位。

瀏覽DFS2005滾珠絲桿的用戶還會?
DFV2005滾珠絲桿、BSH2005滾珠絲桿、SFU2505滾珠絲桿等。
雷研精密傳動設備有限公司供應DFI2005滾珠絲桿【貨源充足、價格合理、原裝正品、品牌齊全】請需要DFI2005滾珠絲桿的朋友聯系:黃志杰(經理)? 聯系電話:15802034588。
DFI2005滾珠絲杠參數
型號:DFI2005
絲桿外徑:20
導程:5
珠徑:3.175
螺母外徑:34
法蘭直徑:57
法蘭的厚度:11
螺母的長度:101
安裝孔之間的距離:45
法蘭的寬度:40
珠圈數:1×4
動額定負荷:1551
靜額定負荷:3875
剛性:52。
DFI圖紙下載:DFI2005滾珠絲桿圖紙PDF
DFI2005滾珠絲桿的用途及作用
因優秀的摩擦特性使其普遍的運用于各種工業設備、精細儀器、精細數控機床行業中,在行業中發揮重要的作用和價值。特別是近年來,絲桿作為數控機床絲杠直線驅動執行單元,在機床行業得到普遍運用,極大的推進了機床行業的數控化開展。絲桿在工業中普遍運用和推行,不時的推進工業的開展和進步,同時也促進中國技術的開展和壯大。
絲桿在運用中的留意事項需求銘刻于心,可以在實踐的運用充沛展示一定的性能和價值,依照正確的方式停止正確的消費,可以依據一定的技術設計方式停止控制和消費,保證在實踐消費和工作中的奉獻性。
瀏覽DFI2005滾珠絲桿的用戶還會?
DFI2004滾珠絲杠、DFV2005滾珠絲杠等。
雷研精密傳動設備有限公司供應DFV2005滾珠絲桿【貨源充足、價格合理、原裝正品、品牌齊全】滿足客戶的需求。請需要DFV2005滾珠絲杠的朋友聯系:黃志杰(經理)? 聯系電話:15802034588。
DFV2005滾珠絲杠參數
型號:DFV2005
絲桿外徑:20
導程:5
珠徑:3.175
螺母外徑:44
法蘭直徑:67
法蘭的厚度:11
螺母的長度:112
安裝孔之間的距離:55
法蘭的寬度:52
珠圈數:4.8×1
動額定負荷:1814
靜額定負荷:4650
剛性:63。
DFV圖紙下載:DFV2005滾珠絲桿圖紙PDF
【DFV2005滾珠絲桿潤滑注意事項】
(1)請仔細擦拭防銳油并封入潤滑劑后再使用。
(2)請不要混合使用性狀不同的潤滑劑。
(3)在經常產生振動的場所、無塵室、真空、低溫或高溫等特殊環境下使用時,有可能無法使用通常的潤滑劑。詳細情況請與我們聯系。
(4)若使用特殊的潤滑,則可能給產品帶來障礙,因此請咨詢我們
(5)潤滑間隔因使用條件的不同而異,詳細情況請與我們聯系。

使用潤滑脂潤滑
也可以使用潤滑脂來潤滑滾珠絲杠。使用這種方法,每次潤滑間隔的時間可以更長一些。
鑒于會有少量潤滑脂從螺母溢出,并在滾珠絲杠的每個行程過長中停留在軸上(即使是擋油環發揮了最大功能),所以在操作過程中,可用的潤滑脂數量會逐漸減少。這限制了在不重新進行潤滑情況下滾珠絲杠的操作時間。只有在通過集中潤滑系統補充了損失的潤滑脂,或者根據具體應用需求安排好潤滑計劃的情況下,才能達到預期的使用壽命L10。

瀏覽DFV2005滾珠絲桿的用戶還會?
DFV2004滾珠絲杠、SFU10020滾珠絲桿等!